Гениальный дед Дарвина: забытое изобретение в каждом современном автомобиле
Это был человек энциклопедических знаний и бездонной любознательности. Врач по профессии, он дружил с Бенджамином Франклином, яростно выступал против работорговли и горячо поддерживал идею качественного образования для девочек. Но и это еще не всё.

Эразм Дарвин обладал удивительным инженерным умом. Для своего друга, керамиста Джозайи Уэджвуда (кстати, второго дедушки Чарльза!), он спроектировал ветряную мельницу с горизонтальным ротором. Он же придумал, как поднимать баржи между каналами разной высоты, создал артезианский колодец и даже сконструировал несколько приборов для метеорологических наблюдений. Настоящий Леонардо да Винчи от туманного Альбиона.
Рулевая трапеция Аккермана. Или всё-таки Дарвина?
Но, пожалуй, самым важным его изобретением стала... рулевая трапеция. Будучи врачом, Эразм много колесил по окрестностям на конной повозке и отлично знал её недостатки. В те времена повозки управлялись примитивно: при повороте дышло просто разворачивало всю переднюю ось целиком. Из-за этого передние колеса приходилось делать маленькими, иначе им не хватало места для маневра. А маленькие колеса — это ужасная проходимость по разбитым дорогам. Но что хуже — на крутом повороте такая телега запросто могла перевернуться.
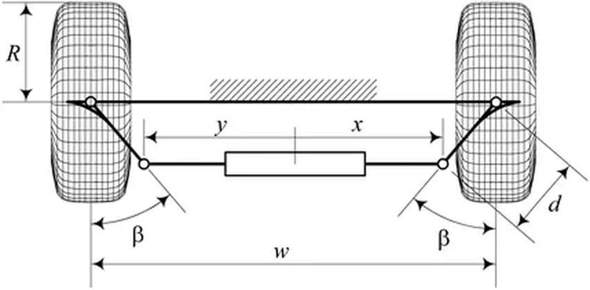
Устав от тряски и риска, Дарвин придумал остроумное решение: поворотный кулак. Каждое переднее колесо теперь могло поворачиваться независимо, в то время как ось оставалась неподвижной. К ступицам крепились рычаги, которые соединяла между собой специальная тяга. Узнаёте? Именно так устроено рулевое управление у вашего автомобиля! Правда, у повозки Дарвина тяга находилась перед осью, а у современных машин — сзади, но принцип тот же.

Ирония судьбы в том, что Эразм принципиально не патентовал свои идеи, считая, что это ниже достоинства врача. О его рулевой трапеции благополучно забыли. А спустя годы её заново «изобрёл» немецкий каретный мастер Георг Ланкеншпергер и запатентовал через своего партнёра Рудольфа Аккермана. Вот почему сегодня все знают «рулевую трапецию Аккермана», а не Дарвина. Несправедливо, правда? Гениальность часто остаётся в тени из-за собственной скромности.